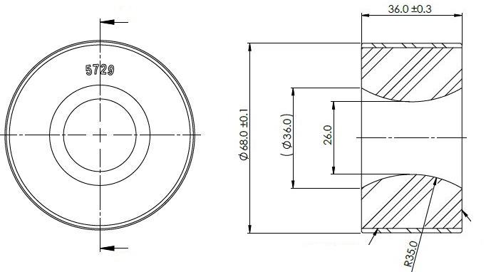
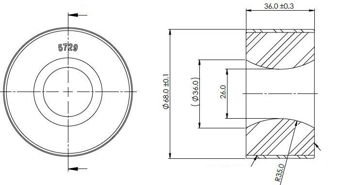
Benefit Note: Control arm bushes stabilise the movement of the arms to ensure the correct geometry is maintained in all situations. Worn or rubber bushes in these locations lead to dynamic changes in wheel alignment that effect the handling of a vehicle as well as the tyre life.
SuperPro Bushings solve this issue and are the perfect repair or repair upgrade solution.
SuperPro Bushings are the perfect suspension upgrade or replacement solution!
- Lifetime Warranty
- Enhances your vehicles handling and performance
- Unaffected by extreme temperatures, oils, water or coolant
- A superior alternative to rubber: providing higher quality, quieter, longer lasting bushings
- Made with SuperPro's proprietary engineering-grade polyurethane formula
- Designed, engineered and manufactured in Australia
Upgrade your car with SuperPro for enhanced performance, better alignment and increased service life.
SuperPro is the leading aftermarket suspension bushing manufacturer with 40+ years of experience. SuperPro has a competitive edge over all aftermarket bushing brands with our products being developed, tested and designed in Australia, ensuring greater quality during the manufacturing and engineering process with the ability to develop advanced bushing designs. SuperPro bushings offer greater quality and reliability through their unique materials, made from a proprietary polyurethane mix which has been thoroughly tested and refined over 40+ years to suit Australia’s harsh conditions. Our innovative bushings have been produced with the input of highly skilled suspension technicians and engineers, ensuring the best quality and evaluation in product development.
SuperPro polyurethane bushings provide various benefits including corrected or maintained steering geometry, better handling, increased safety, improved tyre wear, improved fuel efficiency and enhanced performance. Quality and excellence are ensured through an experienced and dedicated engineering team at SuperPro.
*All prices shown on the website include GST. You will not be charged any additional fees related to tax. For international orders, GST is removed, local import duties or taxes may apply but will not be charged by us.
Product Stock
Please be advised that our stores do not hold any stock. In order to make sure things go as fast as possible you can purchase your parts online. If you would like to have your parts installed by us please choose Click & Fit at the checkout.
You can use the shipping calculator to find your shipping costs, your closest pick up or install locations. The shipping calculator will also show all shipping and installation prices. Shipping is free if you choose to get your item installed by us.
When our product stock levels are low, or current stock is allocated to orders, our website may show an ‘in-stock’ status when in fact the item might be sold out. We will advise within 48hrs; stock availability, order status and shipping details.
Delivery Methods
1. Select “Click & Fit” as a delivery method during the checkout process and you will be given a special fitted price to have both the product delivered and installed. A suspension expert will be assigned to your order, who will organise everything for you and will help you every step of the way. You can sit back and relax, knowing that your car is going to be looked after by suspension experts.
2. Select “Free Pickup” as a delivery method during the checkout process and you will be given free delivery to your nearest Fulcrum outlet where you can collect the parts. We will text and email you all your tracking details.
3. Select “Deliver to Door” as a delivery method during the checkout process and we will deliver your order direct to your nominated delivery address. We will text and email you all your tracking details.
We offer FREE shipping to all metro areas (excluding WA, TAS and NT).
If you live on the Australian coast, that does not mean you are subject to free shipping.
Express shipping times and free shipping times are only to be counted once the order has been shipped from our warehouses. Our free shipping and express shipping services both have the same order processing times. We first have to raise the order, then we send it to one of our warehouses for processing and once ready it will be shipped from the warehouse. The difference between express and free shipping services, is the time it takes for the item to be transported from our warehouse to your address.
Our free shipping policy is determined by densely populated metro locations and the viability of distance travelled from our distribution centres. We are constantly expanding our warehousing, so areas covered by free shipping are subject to change. See our shipping policy here.
We guarantee the fitment and quality of our products, but if you choose to return an item we offer a generous 60 day returns policy. See our returns policy here.
All products sold by Fulcrum Suspensions are covered by a national warranty. This products warranty is subject to conditions from the date of purchase, unless otherwise stated on the item.
Warranty claims must meet certain criteria and be sent to Fulcrum Suspensions with a receipt to be eligible for a refund. See full warranty claim criteria here.
Click & Fit Guideline
Select “Click & Fit” as a delivery method during the checkout process and you will be given a special fitted price to have both the product delivered and installed. A suspension expert will be assigned to your order, who will organise everything and will help you every step of the way. You can sit back and relax, knowing that your car is going to be looked after by suspension experts.
Your assigned suspension expert will confirm all the details for your booking. Your parts will then be delivered to your closest Fulcrum workshop and an installation date will be booked based on your preference. You then bring your car on the booking date and the Fulcrum workshop will install your order.
Installation includes full product installation by a qualified technician, a full wheel alignment, a complete suspension check, a visual brake inspection, and a complete report. We also offer a complimentary 1000km check-up service, which includes a suspension check and any retention work, your alignment and tyre wear will also be checked. If we find that anything needs to be amended during our 1000km check, we will carry out this work free of charge. This includes a wheel alignment, if required. Please note that Fulcrum Dealers are independant workshops and may not supply a full suspension report or offer a 1000km checkup. Workshops that are owned by Fulcrum Suspensions will do this for you though.
Throughout your order, installation, and service. You will be kept up to date every step of the way. Fulcrum offers this service to ensure you get the best possible experience.